ویژگی های شمارنده CT6Y-I4T
- کانتر و تایمر
- تغذیه ورودی 220 ولت AC
- دارای رابط سریال RS485
- 8 حالت ورودی و 11 حالت خروجی برای کانتر
- شمارشگر تعداد
- قابلیت تنظیم نقطه شروع برای کانتر
- 13 حالت برای تایمر
- قابلیت تنظیم زمان در بازه 0.001 ثانیه تا 99999.9 ساعت
- ابعاد 36*72 میلیمتر
- بدون خروجی
- 2 ردیف نمایشگر مجزا برای نمایش مقدار شمارش و مقدار تنظیمی
- نمایشگر 6 رقم
- ساخت Autonics کره جنوبی
CT 6 Y – I 4 T
T
| رابط |
| RS485 |
4
| تغذیه |
| AC 220V |
I
| خروجی |
| بدون خروجی |
Y
| اندازه |
| 36 * 72 میلیمتر |
6
| تعداد رقم نمایش |
| 6 رقم |
CT
| آیتم |
| شمارنده / تایمر |
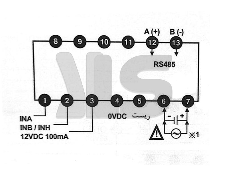
اتصالات و سیمبندی
در سیمبندی و اتصالات کانتر اتونیکس، دقت در نحوه اتصال ورودی سنسور و خروجی کنترل بسیار مهم است. این دیاگرام اتصالات، نحوهی صحیح سیمکشی تغذیه، ورودی پالس و خروجی رله را نمایش میدهد تا از عملکرد دقیق و بدون خطای دستگاه اطمینان حاصل شود.



نقد و بررسیها
هنوز بررسیای ثبت نشده است.